V Usb
3 Alternatives to add USB Support.
V usb. This technology is based on Object Deveopment's V-USB (Software-USB on AVR), and the CDC (Communication Device Class) protocol was extended over it. 21-26″ – LED RGB – 12V 2A DC – 76x100x15 mm. SATA.IDE & USB2.0 Drive Type:.
Adding V-USB as a part of your project. Akash, did you consider asking your V-USB specific questions over in the V-USB forum?. This relays are cheap and easy to find in many online shops.
If you don’t have a website to publish it, just upload to GitHub, Sourceforge or similar!. You may have noticed that there’s a new USB type that’s been growing in popularity and availability lately. AC 100-240V, 50.
A simple example intended to demonstrate how to use V-USB. Rosewill USB Type C to SATA Adapter Cable for 2.5" SATA SSD HDD, Support SATA III / II / I and UASP. Even on non-virtualized systems, these resources are shared.
They can also supply electric power across the cable to devices that need it. Select Coupon Free Shipping & Up More. If you value your sanity then I strongly suggest that you don't use USB directly from the host server as then you have the problem of VM being tied to physical machine.
– Nick Gammon ♦ Feb 2 '16 at :54. Auto Vehicle Direct Wire Charger, 12V 24V to 5V Dual USB Charging Cable, Car Hard Wired Step Down Converter Power Supply for Dash Camera Car DVR GPS (8-52V Wide Range Input). » Subscribe to be the first to hear the best new independent music:.
Select “Allow remote access”. And it uses pins 8 and 9 for the LED and button. 16 Aug 16 by Eric Siron 26.
Home > reviews > Toys & Hobbies > "60 v usb" 284 Results. A doubt is a weak disbelief. V-USB-24-G11-1BB1 Carling Technologies Battery Chargers USB Charger 2 Port Black IP64 datasheet, inventory, & pricing.
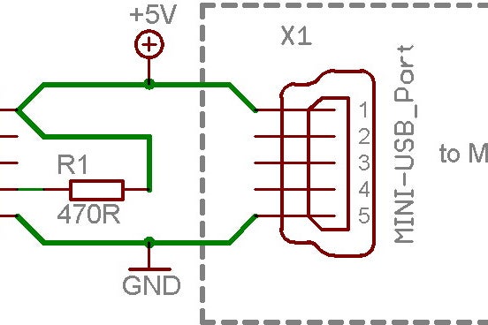
For more information please visit http://www.obdev.at/vusb/. The Virtual USB Analyzer is a free and open source tool for visualizing logs of USB packets, from hardware or software USB sniffer tools. I changed from pin 8 (B0) to pin 13 (B5) so that the built-in LED would light up.
PC travando (CONGELAMENTO) de tela após instalar SSD com Windows 10 em Computador/Notebook. 👇👇👇 ⏩ LEIA A DESCRIÇÃO COMPLETA ⏪ 👇👇👇 O. It is not as easy to implement Hyper-V USB passthrough as it is to set it up in VMware.
Compiling with the correct speed for you circuit - The V-USB library supports a variety of different speeds. Order today, ships today. Unzip the archive and copy the usbdrv subfolder to your project folder (the whole folder, not just contents).
Right now, it’s included in devices like the newest laptops, phones, and tablets and—given time—it’ll spread to pretty much everything that currently uses the older, larger USB connector. Among other improvements, USB 3.0 adds the new transfer rate referred to as SuperSpeed USB (SS) that can transfer data at up to 5 Gbit/s (625 MB/s), which is about 10 times faster than the USB 2.0 standard. If your computer runs Windows 10 or Windows 8.1, Enhanced Session Mode will be available by default.
V-USB was/is just a play diversion for me as it makes good blog posts, but I do not do anything serious with the product (but i do own my own VID/PID pairs just in case!) So, I do not intend on pursuing the fault. It is recommended that manufacturers distinguish USB 3.0. A USB port is a standard cable connection interface for personal computers and consumer electronics devices.
One of the relatively unexplored topics in this week’s lecture was USB, the ubiquitous protocol that allows computers to communicate with peripheral devices (containing microcontrollers). It focuses on CPU, disk, and memory because all operating systems and applications require them. USB to IDE&SATA Specifications:.
V-USB was made when USB was v1.1, since then USB has changed, v2, v3, etc. IDE -- 2.5" or 3.5" or 5.25" Optical Device SATA -- 2.5" or 3.5" Optical Device Material:. Pricing and Availability on millions of electronic components from Digi-Key Electronics.
A common problem people have with V-USB is their device not being enumerated (the device not recognized error), the most common mistakes are errors in the circuitry, mistakes in the configuration, or not. Fortunately, it won't compile (compiler warning) if you don't set the speed to an eligible speed, but make sure you change the F_CPU value in the makefile or the code or in AVR Studio to the same speed as the clock you're using. Type-A USB port for USB 3.0 (blue) and USB 2.0 on the back of a computer.
AVR USB Devices and Programming. Dealighted analyzed 3 new deal forum threads today and identified 157 that people really like. They probably have more direct experience.
USB ports allow USB devices to be connected to each other with and transfer digital data over USB cables. A broad variety of USB hardware exists, including several different connectors, of which USB-C is the most recent. AVR-CDC converts USB and RS-232C signals using the AVR micro- controller which has no on-chip USB interface.
AVR-CDC enables PC to communicate with the USB device through virtual COM port. Palm 5V USB-A to Type-C Wall Charger @ .97 Free Shipping. Hyper-V USB Passthrough with Enhanced Session Mode Enhanced Session Mode enables redirection of local devices and resources to a virtual machine session using the Virtual Machine Connection tool.
USB “Type A” connections refer to the physical design of the USB port. Server-side USB passthrough in Hyper-V. Thesun LED TV Store.
V-USB is a software-only implementation of a low-speed USB device for Atmel’sAVR® microcontrollers, making it possible to build USB hardware with almost any AVR® microcontroller, not requiring any additional chip. ATtiny V-USB Project Board:. One of the chief features of virtualization is the abstraction of the hardware.
About 22% of these are Charger, 5% are Adapters, and 1% are Mobile Phone Adapters. US $252 / piece Free Shipping. Hyper-V USB passthrough can be performed at the client Hyper-V level or at the host level if you are connecting to USB devices.
And may I help you a little with your English. Over the last two years, USB Type-C has been spreading across the electronics industry. Dong Ngo/CNET Similarly, small devices such as a mouse, keyboard or network adapter that have hard-wired USB cables always.
USB stands for Universal Serial Bus, an industry standard for short-distance digital data communications. USB 3.0 is the third major version of the Universal Serial Bus (USB) standard for interfacing computers and electronic devices. First, we will download the latest version V-USB library from Oev.
V-USB-24-G11-1BB1 – USB In-Vehicle Battery Charger 5V 3.15A from Carling Technologies. Due to popular demand, this is a Windows build of VirtualHere USB Server (version 4.2.0 Changes)Its very easy to use, simply download the file below and run. We also want to list your project!.
What is in this Repository?. To begin, you should allow Remote Desktop Connections on your guest system. CONCEPTThe Paperduino Tiny is a great little project.
VirtualHere USB Server has come to Windows!. It is based on the "Virtual USB" (V-USB) concept which you can find with a *ahem* search-engine-of-your-choice search. Robson does a pretty good job of documenting the entire process of creating the interface.
V-USB is a firmware-only USB driver for Atmel's AVR microcontrollers. However I wanted to create something a little more robust, with a small prototyping project area, using a custom PCB of 60mm x 40mm in size.This is the result. There are many situations where being able to access USB devices from the virtual environment (e.g.
VMware or Hyper-V) could prove useful. It seems that you and many of your countrymen make the same mistake. Windows 98SE/00/ME/XP/Vista Power Source:.
To do this, connect to your virtual machine and find “System and Security” settings in the Control Panel. You all seem to use the word "doubt" when you should use "question". This is Objective Development’s reference implementation.
Before VMware supported USB). Search (past 7 days):. This library simplifies the handling of V-USB relays identified by the system as USB HID devices.
The hardware has changed as well, requiring pull up/ pull down resistors to tell the host what the slave can support. The V-USB API states that you can send data over the default interrupt endpoint using the usbSetInterrupt() function, and receive data meant for any other endpoint asides from endpoint 0 (in other words, all non-control endpoint data) using the usbFunctionWriteOut() function, although this would require you to #define USB_CFG_IMPLEMENT_FN. With the entire Arduino and JAVA code in constant flux and with MS screwing around with security patches (I run the Arduino.exe as.
Put simply, Hyper-V USB passthrough is the possibility of accessing USB devices attached to your computer or the Hyper-V (former Windows Server Virtualization) host from inside a virtual machine. I've used USB ports with virtualised servers since ESX 3.0 (i.e. Often referred to simply as USB-C, these plugs and receptacles are rectangular in shape with four rounded corners.Only USB 3.1 Type C plugs and receptacles (and thus cables) exist but adapters for backward compatibility with USB 3.0 and 2.0 connectors are available.
TV 43 inch smart TV sets curved screen Android 7.0 digital TV Full HD. They can be used, in example to power off your router when internet connectivity is drop, and repower it on after some time. The V-USB library is a pretty handy piece of code that lets you add USB connectivity to ATtiny microcontrollers (it was previously named tinyUSB).
In order to connect a USB device within a remote desktop session to VM Hyper-V, just take the following steps:. Head to the Downloads-section and get the latest .zip – I got vusb-1109.zip. The V-USB snapshot included in the zip actually uses pins 2 and 3 for USB, not 2 and 1 as I’d expected from the ATtiny circuits;.
This page lists projects implemented with V-USB. Universal Serial Bus (USB) is an industry standard that establishes specifications for cables and connectors and protocols for connection, communication and power supply (interfacing) between computers, peripherals and other computers. USB Charger V-Series 2 Port 12-24V 3.15A IP64 Fits 1.45x0.-in.
PowerSwitch - The Pure Basics. Open source USB debugging, in style. Datasheets, competitive pricing, flat rate shipping & secure online ordering.
Every USB connection is made of a port in the host device, a connecting cable, and a receptor device. But if you’ve ever looked into adding the library. USB-C is the emerging standard for charging and transferring data.
That is why I asked about the hardware, does it have the required PU, PD resistors to slow the bus down to v1.1 speeds supported by V-USB. The Digispark (of which I bought a few) works quite well. External Power Adapter Input:.
A wide variety of 4.5v usb adapter options are available to you, such as port, function, and usage. Let’s take a look at how it’s done in the following step-by-step demonstration. V-USB handles the dirty work such as getting the device recognized by the computer, all you worry about is your application's behaviour.

Micro Usb 2s Balance Charger

Work In Progress V Usb Tutorial Software Only Usb For Mega Tiny

Usb Device Not Detecting In Windows Xp Hyper V
V Usb のギャラリー

150 V Usb Closed Loop Piezo Controllers

Usb Helper For V Usb Prototyping Objective Development Forums

V Usb With Attiny45 Attiny85 Without A Crystal Code And Life

How To Connect A Usb Drive Directly To A Hyper V Vm Windows Os Hub

5v And 3 3v From 2xaa And Or Usb Electrical Engineering Stack Exchange

Tps2500 Data Sheet Product Information And Support Ti Com

How To Set Up Hyper V Usb Passthrough Short Overview

Arduinoでv Usbを使う How To Code Something

Wch Ch569 Risc V Soc Offers Usb 3 0 Gigabit Ethernet High Speed Serdes Hspi Interfaces

The Difference Between Usb 3 0 Vs 3 1 Memory Suppliers

Usb Transceivers

Usb To 3 3v Ttl Pin Header Cable With Ftdi Chipset

Hardware Considerations V Usb

Usb Charging Without Fear

100 Working Usb Charging Adaptor For Creative Zen V Plus Mp3 Players 5 Steps Instructables

Hyper V Usb Passthrough 3 Alternatives To Add Usb Support

Evod Ugo V Usb Pass Through 900mah Vape Pen Battery Vape Pen Sales

Avr Attiny Usb Tutorial Part 1 Code And Life

Poeject 3 Aka The V Usb Aylo

Bluetooth Mini Pcie Module To Usb Adapter Techliminals Com

Error In Bootloader Code For Mega328 Page 2 Avr Freaks

Attiny V Usb Project Board Trybotics

How To Set Up Hyper V Usb Passthrough Short Overview

Usb C Vs Lightning Macworld Uk

Hid Class Usb Serial Communication For Avrs Using V Usb Rayshobby Net

How To Attach A Usb Disk To A Hyper V Virtual Machine Share It

Hardware Considerations V Usb

Understanding Schematics Resistors Attached To Attiny85 Pins V Usb Arduino Stack Exchange

Usbasp Usb Programmer For Atmel Avr Controllers Fischl De

V Usb Midi

Poweredusb Wikipedia

V Usb 24 G11 1bb1 Carling Technologies Battery Products Digikey

Usb 5v To 1 5v 3v Step Down Converter Circuit Eleccircuit Com

Automotive Usb Type C Power Solution 45 W 2 Mhz Buck Boost Controller In A 1 Inch Square Analog Devices

Learning To Use The V Usb Avr Usb Firmware Library Hackaday

V Usb Command Line Client Avr Freaks

Playing Around With V Usb For Avr Insidegadgets
Usb To Usb Keyboard Converter Build Log Pro Micro 3 3v With Mini Host Shield

Component Absolute Question And Answer Thread V 3 Ask Your Questions Here Rj45 To Usb Wiring Diagram Cablespsx Cable Need Fema Rj45 Usb This Or That Questions

Boot Hyper V Server 19 16 From Usb Stick Or Drive

Hid Class Usb Serial Communication For Avrs Using V Usb Youtube

An Esp66 Live Wi Fi Webcam Nuts Volts Magazine

V Usb A Firmware Only Usb Driver For Atmel Avr Microcontrollers

Usb Keyboard With Arduino And V Usb Library An Example Petrockblock

V Usb A Firmware Only Usb Driver For Atmel Avr Microcontrollers

Linksys Official Support Downloading The Linksys Vusb Software Of The Linksys E8400 Wireless Router

Samsung Galaxy M10s To Pack Usb Type C Port Infinity V Display And Rear Fingerprint Sensor Official Manual Reveals Technology News

Steve Marple S Blog Uart Usb Converter For Mixed 3 3v 5v Operation
Tallmanlabs Tmlabs Home Of The Crystal Cmoy Uvolume And Gnatstats Avr Attiny 2313 Attiny84 V Usb Media Volume Control

Usb Cat Ci V Adapter

Tips On V Usb And Arduino 5 Dash

When 3 3v Isn T Actually 3 3v Usb To Serial Adapters Youtube

Hyper V Usb Passthrough 3 Alternatives To Add Usb Support

How To Install Vinyl Cutter Usb Port Driver

Automotive Usb Type C Power Solution 45 W 2 Mhz Buck Boost Controller In A 1 Inch Square Analog Devices

Usb 3 0 And Sata 3 Page 9 Lanoc Reviews

Thunderbolt 3 Vs Usb C What S The Difference Satechi

Amazon Com Huaban 5v 3 3v Usb Isp Programmer W Adapter 10 Pin Cable Atmega8a Atmega128 For Arduino Computers Accessories

Work In Progress V Usb Tutorial Software Only Usb For Mega Tiny

Ricoh Theta V User Guide

Usb C For Engineers Part 3 Reclaimer Labs

Trouble With Atmega328p V Usb Solved Defective Usb Cable Avr Freaks

Avr Attiny Usb Tutorial Part 2 Code And Life
Q Tbn 3aand9gctuway8dx07jpxj0h1r3ykr Qm2s4cdc6pcmyeigwexx06wimdy Usqp Cau

How To Connect A Usb Drive Directly To A Hyper V Vm Windows Os Hub
Usb 3 7v Lithium Li Ion Battery Charger Module Step Up 5v 9v 12v 24v Converter Ebay

Integrate Standalone Temperature Logger To V Usb Insidegadgets
Solved Xps 15 9570 Usb C Charging Specs Dell Community

Firmware Circuit Of Attiny45 Direct Usb 2 0 Connection Electrical Engineering Stack Exchange

Usb 4 0 Type C Ports Will Be Able To Output Up To 16k Video At 80gb S Thanks To Vesa S New Displayport Standard Notebookcheck Net News
Schematic Of The Srd S Power System Top Left Is A Micro Usb Battery Download Scientific Diagram

Amazon Com Qunqi 3 3v 5 5v Ft232rl Ftdi Usb To Ttl Serial Adapter Module For Arduino Mini Port Computers Accessories

Usb Power Delivery Explained

Hyper V Usb Passthrough How To Access Usb In Hyper V

Matthiaslinder Com

What Does It Mean When A Usb C Cable Is Rated At 3a By Benson Leung Medium

The 1 Key Keyboard Project Flip S Blog

V Usb With Attiny45 Attiny85 Without A Crystal Code And Life

Hyper V Usb Passthrough How To Access Usb In Hyper V 19

Usb 3 7v Li Ion Battery Charger Circuit Homemade Circuit Projects

Arduino To Excel Using V Usb Arduino Project Hub

Hyper V Usb Passthrough 3 Alternatives To Add Usb Support

Usb Charging Without Fear

How To Protect Your Epos Processor From Short Circuits In 9 V Usb Charging Industrial Technical Articles Ti E2e Support Forums

Arduino Usbkeyboard For Cubase Xenoworld Org

Filtering The 5v Usb Power Supply Line Andys Workshop

Arduino To Excel Using V Usb Arduino Project Hub

Custom Pcb Nrf Vddh And Usb Nordic Devzone

Cannot Write To Hid Usb Device Arduino V Usb Hidsharp Arduino Stack Exchange

V Usb A Firmware Only Usb Driver For Atmel Avr Microcontrollers

Hardware Hump Day Installing An Attiny Bootloader With V Usb News Sparkfun Electronics

100 Working Usb Charging Adaptor For Creative Zen V Plus Mp3 Players 5 Steps Instructables

Thunderbolt 3 Vs Usb C What S The Difference Satechi

How To Redirect Usb Dongle Hyper V Usb Passthrough Hacker Noon

Lpc1347 Development And Breakout Board

7 Port Usb Hub Ic Eeweb

5 V Psu For Usb Devices And Raspberry Pi

Amazon Com Usb Rechargeable Batteries 1 5v 1500mah Lithium Ion Battery With 4 In 1 Micro Usb Charging Cable 1 5h Quick Charge Built In Integrated Safety Circuit Protection Double A Batteries 4 Pack Home Audio Theater